|
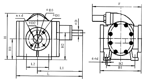
KCB齒輪泵安裝尺寸圖
※ 性能曲線圖
|
KCB齒輪泵的性能參數,是在介質粘度4×10-3m2/s(40cSt)時確定的。性能參數表中給出的參數值適用于介質粘度1×10-5~8×10-5m2/s(10~80cSt)范圍內,_出這個范圍則根據用戶提出的性能參數要求另行確定。 各型齒輪泵性能參數中給出的排出壓力是給出的_的工作壓力值,在此范圍內泵均能正常工作,其工作范圍見圖一。
|
※ 工作范圍圖
KCB18.3~83.3型齒輪泵外型、安裝尺寸
| 型號 |
L |
L1 |
L2 |
L3 |
L4 |
B |
B1 |
B2 |
B3 |
H |
H1 |
H2 |
φD |
G |
4-φd |
| KCB-18.3 |
217.5 |
35 |
80 |
115 |
16 |
192 |
150 |
120 |
66 |
136 |
90 |
69 |
20 |
G3/4" |
16 |
| KCB-33.3 |
231 |
42.5 |
80 |
115 |
16 |
192 |
150 |
120 |
66 |
136 |
90 |
69 |
20 |
G3/4" |
16 |
| KCB-55 |
246 |
50 |
80 |
115 |
16 |
192 |
150 |
120 |
66 |
136 |
90 |
69 |
20 |
G1" |
16 |
| KCB-83.3 |
271 |
62 |
80 |
115 |
16 |
192 |
150 |
120 |
66 |
136 |
90 |
69 |
20 |
G11/2" |
16 |
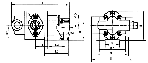
KCB200-960齒輪泵外型、安裝尺寸
|
型號
|
L
|
L1
|
L2
|
B1
|
B2
|
H
|
H1
|
H2
|
F
|
φD1
|
φD2
|
φD3
|
n×d
|
φD
|
4-φd
|
|
KCB-200
|
290
|
200
|
66
|
214
|
160
|
263.5
|
118
|
152.5
|
300
|
140
|
110
|
50
|
4-M12
|
28
|
13
|
|
KCB-300
|
354
|
230
|
90
|
225
|
180
|
308
|
128
|
170
|
318
|
155
|
123
|
70
|
6-M14
|
32
|
16
|
|
KCB-483.3
|
354
|
230
|
90
|
225
|
180
|
308
|
128
|
170
|
318
|
155
|
123
|
70
|
6-M14
|
32
|
16
|
|
KCB-633
|
415
|
270
|
120
|
280
|
175
|
385
|
188
|
205
|
380
|
190
|
158
|
100
|
8-M14
|
38
|
18
|
|
KCB-960
|
415
|
270
|
120
|
280
|
175
|
385
|
188
|
205
|
380
|
190
|
158
|
100
|
8-M14
|
38
|
18
|
KCB1200-9600齒輪泵型泵外型、安裝尺寸
| 型號 |
L |
L1 |
L2 |
B1 |
B2 |
B3 |
H |
H1 |
H2 |
φ1 |
φ2 |
φ3 |
n-d |
φD |
4-φd |
| KCB-1200 |
715 |
300 |
480 |
415 |
463 |
510 |
708 |
220 |
300 |
150 |
225 |
260 |
8-φ18 |
56 |
25 |
| KCB-1600 |
| KCB-1800 |
830 |
340 |
547 |
460 |
585 |
684 |
876 |
262 |
350 |
200 |
280 |
315 |
8-φ18 |
76 |
25 |
| KCB-2500 |
| KCB-2850 |
948 |
380 |
625 |
520 |
584 |
640 |
915 |
299 |
400 |
250 |
335 |
370 |
12-φ18 |
86 |
25 |
| KCB-3800 |
| KCB-4100 |
| KCB-5600 |
1085 |
345 |
700 |
500 |
600 |
740 |
1155 |
386 |
500 |
350 |
445 |
490 |
12-φ23 |
95 |
32 |
| KCB-7000 |
| KCB-7600 |
| KCB-9600 |
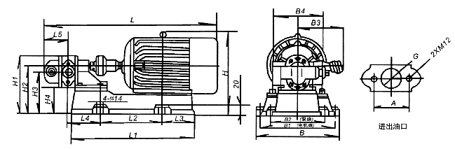
KCB-18.3~KCB-83.3齒輪泵整機外型、安裝尺寸及重量
|
型號
|
L
|
L1
|
L2
|
L3
|
L4
|
L5
|
H
|
H1
|
H2
|
H3
|
H4
|
B
|
B1
|
B2
|
B3
|
B4
|
A
|
G
|
重量 Weight(kg)
|
|
KCB-18.3
|
566
|
391
|
239
|
86
|
75
|
86
|
230
|
176
|
130
|
109
|
40
|
259
|
225
|
190
|
155
|
192
|
52
|
G3/4" |
62.15
|
|
KCB-33.3
|
618
|
416
|
256
|
86
|
82
|
93
|
285
|
186
|
140
|
119
|
50
|
279
|
245
|
190
|
180
|
192
|
52
|
G3/4" |
66.8
|
|
KCB-55
|
595
|
391
|
239
|
86
|
89.5
|
100.5
|
230
|
176
|
130
|
109
|
40
|
259
|
225
|
190
|
155
|
192
|
70
|
G1" |
64.15
|
|
KCB-83.3
|
652
|
416
|
256
|
94
|
102
|
113
|
285
|
186
|
140
|
119
|
50
|
279
|
245
|
190
|
180
|
192
|
78
|
G11/2" |
70.15
|
KCB-200~KCB-960齒輪泵整機外型、安裝尺寸及重量
|
型號
|
L
|
L1
|
L2
|
L3
|
L4
|
n×φ
|
H
|
H1
|
H2
|
H3
|
H4
|
B
|
B1
|
B2
|
B3
|
B4
|
D
|
D1
|
D2
|
n×d
|
重量 Weight(kg)
|
|
KCB-200
|
709
|
577
|
419
|
58
|
90
|
4×φ16
|
355
|
314
|
168
|
202
|
50
|
326
|
290
|
240
|
190
|
214
|
φ50
|
φ110
|
φ140
|
4×M12
|
135
|
|
KCB-300
|
883
|
715
|
502
|
80
|
124
|
4×φ22
|
423
|
378
|
198
|
240
|
70
|
390
|
340
|
280
|
210
|
228
|
φ70
|
φ123
|
φ155
|
6×M14
|
173
|
|
KCB-483.3
|
972
|
795
|
565
|
890
|
124
|
4×φ22
|
465
|
378
|
198
|
240
|
70
|
450
|
400
|
290
|
255
|
228
|
φ70
|
φ123
|
φ155
|
6×M14
|
213
|
|
KCB-633
|
1074
|
901
|
629
|
100
|
145
|
4×φ22
|
500
|
455
|
258
|
275
|
70
|
450
|
400
|
285
|
255
|
280
|
φ100
|
φ158
|
φ190
|
8×M14
|
274.5
|
|
KCB-960
|
1099
|
900
|
635
|
100
|
145
|
4×φ22
|
525
|
455
|
283
|
275
|
70
|
470
|
420
|
285
|
285
|
280
|
φ100
|
φ158
|
φ190
|
8×M14
|
304.5
|
KCB-1200~KCB-9600齒輪泵整機外型及安裝尺
型號 Model |
L |
L1 |
L2 |
L3 |
H |
H1 |
H2 |
H3 |
B |
B1 |
B2 |
B3 |
φ1 |
φ2 |
n×d |
n×φ |
| KCB1200/0.6 |
1771 |
1470 |
990 |
194 |
780 |
828 |
340 |
420 |
683 |
631 |
621 |
510 |
φ150 |
φ225 |
8-φ18 |
4-φ25 |
| KCB1600/0.6 |
| KCB1800/0.6 |
2036 |
1704 |
1142 |
230 |
1020 |
996 |
382 |
470 |
772 |
720 |
720 |
684 |
φ200 |
φ 280 |
8-φ18 |
4-φ25 |
| KCB2500/0.6 |
| KCB2850/0.6 |
2294 |
1930 |
1250 |
270 |
1070 |
1035 |
419 |
520 |
810 |
750 |
750 |
640 |
φ250 |
φ 335 |
12-φ18 |
4-φ30 |
| KCB3800/0.6 |
| KCB4100/0.6 |
2524 |
2008 |
1340 |
270 |
1200 |
1035 |
419 |
520 |
1163 |
906 |
750 |
640 |
φ250 |
φ335 |
12-φ18 |
4-φ30 |
| KCB5400/0.6 |
| KCB5600 |
2632 |
2090 |
723 |
245 |
723 |
1465 |
1440 |
671 |
785 |
760 |
690 |
740 |
350 |
445 |
12-23 |
6-32 |
| KCB7000 |
2662 |
2090 |
723 |
245 |
723 |
1465 |
1440 |
671 |
785 |
760 |
690 |
740 |
350 |
445 |
12-23 |
6-32 |
| KCB7600 |
2632 |
2090 |
723 |
245 |
723 |
1465 |
1440 |
671 |
785 |
760 |
690 |
740 |
350 |
445 |
12-23 |
6-32 |
| KCB9600 |
2662 |
2090 |
723 |
245 |
723 |
1465 |
1440 |
671 |
785 |
760 |
690 |
740 |
350 |
445 |
12-23 |
6-32 |
|